开心彩

欢迎来到艾思捷传动技术(上海)有限公司官方网站!

艾思捷传动技术(上海)有限公司

让传动更高效、更可靠专注12#锡青铜蜗轮减速机研发生产

技术热线181-3611-8455
扫一扫加微信扫一扫加微信

行业案例

您的当前位置:首页 > 新闻资讯 > 行业案例

艾思捷---纺织机械专用减速机

返回列表 来源:艾思捷 查看手机网址
扫一扫!艾思捷---纺织机械专用减速机扫一扫!
浏览:- 发布日期:2022-08-15 10:13:07【

  俗话说衣、食、住、行是每个人都离不开的一生。纺织业作为中国一个劳动密集程度高的产业,随着机械化的发展,现在很大的减轻了劳动的压力,使用了纺织机械设备来节省人工。艾思捷为其提供纺织机械专用减速

  艾思捷设计生产的纺织机械专用减速机为设备提供动力支持,如下所示:

 

艾思捷---纺织机械专用减速机

  

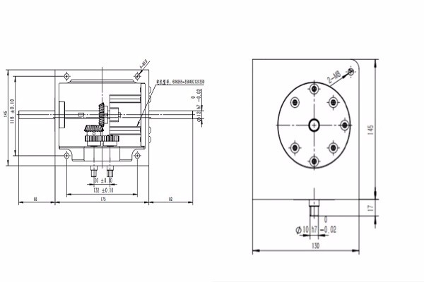
这款纺织机械专用减速机FG035.102步进电机驱动,基本参数为:电机步距:1.8°步距角精度5%,输出为:2-122-10,尺寸图为以下


艾思捷--纺织机械专用减速机尺寸图.jpg

 

艾思捷纺织机械专用减速机在实际应用中有以下特点:

1、机械结构紧凑、体积轻巧、小巧高效;

2、步进电机驱动、精确控制;

3、起停、反转反应迅速;

4、可靠性高、较宽的调速范围;

5、安装简易、灵活轻捷、易于维护维修。

产品实际生产图片如下:

艾思捷--纺织机械专用减速机.jpg


关于上海艾思捷

  艾思捷传动技术(上海)有限公司是一家专业的传动设备生产商,厂家拥有专业的技术团队,精心致力于高质量的减速机生产和技术开发。主要为设备提供传动产品以及技术解决方案,上海艾思捷隶属于意大利SSJ Group的成员公司,意大利SSJ Group在减速机的设计、生产制造和销售有20多年的丰富经验,服务的客户覆盖欧洲、美洲、非洲、亚洲等,获得市场的一致好评。

  艾思捷目前主要的产品有SJMRV系列蜗轮减速机、SJGV系列齿轮减速机、SJRT系列太阳能减速机、SJXV系列行星减速机以及洗车机减速机、制冰机减速机、小侧隙减速机等行业减速机,产品被广泛应用于装备行业、食品行业、洗车行业、包装行业、传输行业、自动化行业、太阳能行业等等,产品深受客户的欢迎与信赖。厂家技术咨询电话:陈工 13262846677.