开心彩

欢迎来到艾思捷传动技术(上海)有限公司官方网站!

艾思捷传动技术(上海)有限公司

让传动更高效、更可靠专注12#锡青铜蜗轮减速机研发生产

技术热线181-3611-8455
扫一扫加微信扫一扫加微信

技术资讯

您的当前位置:首页 > 新闻资讯 > 技术资讯

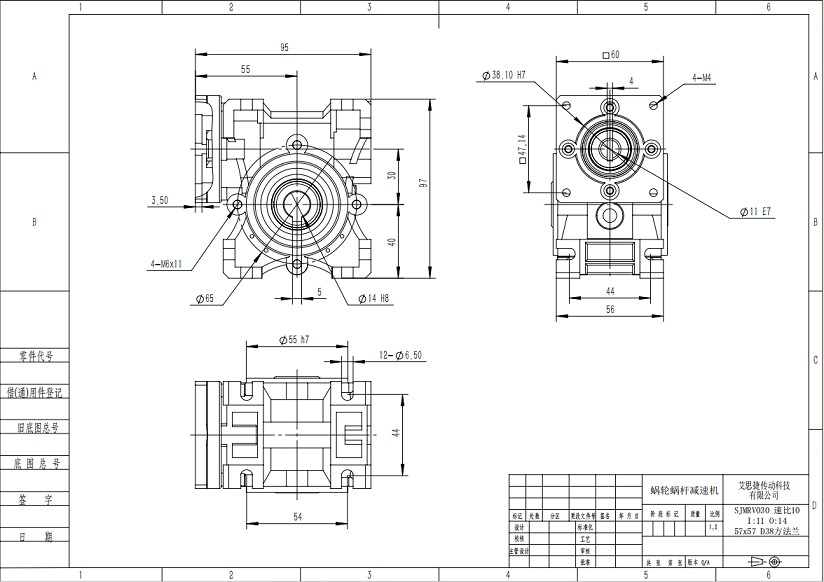
艾思捷SJMRV030速比10蜗轮减速机安装尺寸图纸

返回列表 来源:艾思捷 查看手机网址
扫一扫!艾思捷SJMRV030速比10蜗轮减速机安装尺寸图纸扫一扫!
浏览:- 发布日期:2024-04-03 17:33:28【

  蜗轮蜗杆减速机型号多样化可供选择,输出方式可按照设备要求来选择。

 艾思捷SJMRV030速比10 57*57 D38安装尺寸图纸;


SJMRV030速比10尺寸图纸 .jpg

 思捷蜗轮蜗杆减速机,SJMRV030速比10的安装尺寸图纸。艾思捷专注蜗轮蜗杆减速机定制,蜗轮蜗杆减速机输出形式多样、型号多样,有需要可以联系:盛工 18116258006、 尹女士13262846677.