开心彩

欢迎来到艾思捷传动技术(上海)有限公司官方网站!

艾思捷传动技术(上海)有限公司

让传动更高效、更可靠专注12#锡青铜蜗轮减速机研发生产

技术热线181-3611-8455
扫一扫加微信扫一扫加微信

技术资讯

您的当前位置:首页 > 新闻资讯 > 技术资讯

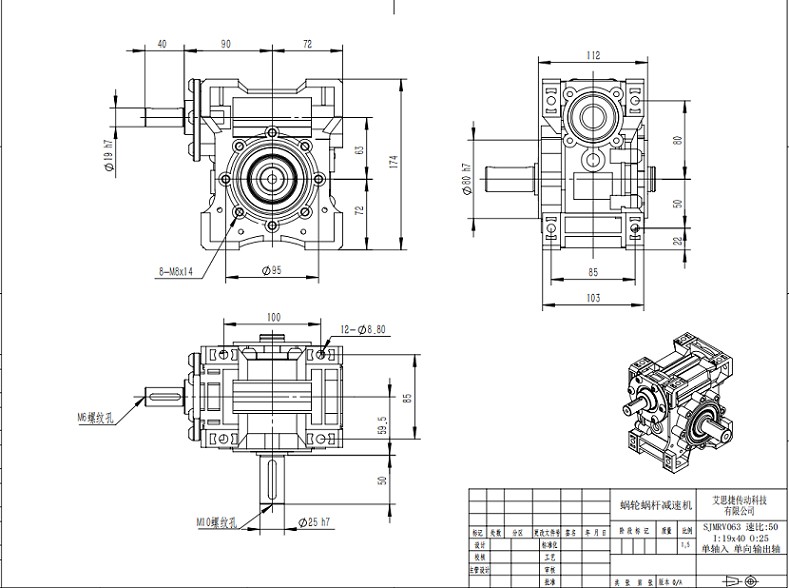
艾思捷SJMRV063-50蜗轮减速机 单轴入 单向输出轴

返回列表 来源:艾思捷 查看手机网址
扫一扫!艾思捷SJMRV063-50蜗轮减速机 单轴入 单向输出轴扫一扫!
浏览:- 发布日期:2023-10-18 14:39:55【

       

艾思捷蜗轮减速机形式型号多样化,SJMRV063-50蜗轮减速机,单轴入,单向输出轴。

艾思捷SJMRV063-50蜗轮减速机 单轴入 单向输出轴.jpg

  总之,蜗轮蜗杆减速机是一种紧凑、高效、可靠的减速装置,适用于许多不同的应用中。具体技术咨询可联系我司专业的技术:盛工 18116258006 、尹经理 13262846677.