开心彩

欢迎来到艾思捷传动技术(上海)有限公司官方网站!

艾思捷传动技术(上海)有限公司

让传动更高效、更可靠专注12#锡青铜蜗轮减速机研发生产

技术热线181-3611-8455
扫一扫加微信扫一扫加微信

技术资讯

您的当前位置:首页 > 新闻资讯 > 技术资讯

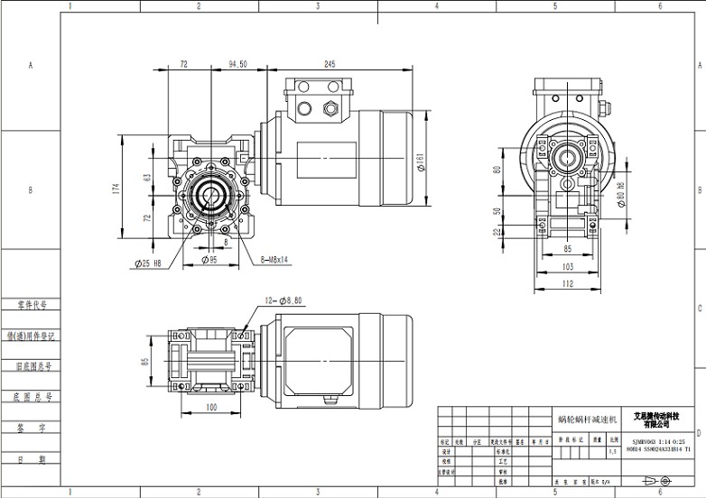
艾思捷SJMRV063+0.75KW蜗轮减速机尺寸图纸

返回列表 来源:艾思捷 查看手机网址
扫一扫!艾思捷SJMRV063+0.75KW蜗轮减速机尺寸图纸扫一扫!
浏览:- 发布日期:2024-01-15 11:07:11【

  艾思捷厂家生产供应标准蜗轮减速机以及非标定制减速机等,标准063蜗轮减速机常用型号: SJMRVSJMRV063+0.25KW/ SJMRVSJMRV063+0.55KW/ SJMRVSJMRV063+0.75KW/ SJMRVSJMRV063+1.1KW/ SJMRVSJMRV063+1.5KW/ SJMRVSJMRV063+02.2KW、输出轴径为14mm、19mm、24mm。具体看自身设备的选型情况。

  例如以下:艾思捷SJMRV063+0.75KW蜗轮减速机尺寸图纸

SJMRV063+0.75kw.jpg

 艾思捷我们有专业的技术设计团队,可以从你的设备要求出发,提供全套的技术解决方案,生产工厂在浙江德清,欢迎进行厂区考察,也欢迎大家去进行技术交流。咨询电话:盛经理 18116258006.   尹经理 13262846677