开心彩

欢迎来到艾思捷传动技术(上海)有限公司官方网站!

艾思捷传动技术(上海)有限公司

让传动更高效、更可靠专注12#锡青铜蜗轮减速机研发生产

技术热线181-3611-8455
扫一扫加微信扫一扫加微信

技术资讯

您的当前位置:首页 > 新闻资讯 > 技术资讯

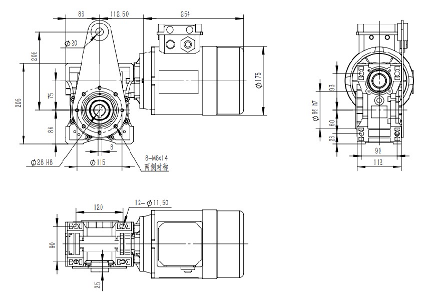
艾思捷SJMRV075-1.5KW带扭力臂蜗轮减速机尺寸图纸

返回列表 来源:艾思捷 查看手机网址
扫一扫!艾思捷SJMRV075-1.5KW带扭力臂蜗轮减速机尺寸图纸扫一扫!
浏览:- 发布日期:2023-11-17 14:04:30【
 随着现在设备的要求,很多时候蜗轮减速机都要配合设备有不同的安装方式,有的会带上扭力臂安装,那么带扭力臂安装的话有什么优点呢?是什么样子呢?有没有图纸?

 带扭力臂的蜗轮减速机具有以下优点:

增加支撑力:扭力臂的设计增加了蜗轮减速机的支撑力,使其能够承受更大的负载和冲击。

提高稳定性:由于支撑力的增加,蜗轮减速机的稳定性也相应提高,可以更好地适应各种工作环境。

增强刚性:扭力臂的设计增强了蜗轮减速机的刚性,使其在高速运转时仍能保持稳定。

延长使用寿命:由于刚性和稳定性的提高,蜗轮减速机的使用寿命也相应延长。

简化设计:对于某些需要使用蜗轮减速机作为传动部件的设备来说,带扭力臂的设计可以简化整体设计,提高设备的可靠性。

总之,带扭力臂的蜗轮减速机具有较好的支撑力、稳定性和刚性,能够适应各种工作环境,延长设备使用寿命,同时简化设计。
   例:SJMRV075-1.5KW带扭力臂蜗轮减速机尺寸图纸

艾思捷SJMRV075-1.5KW带扭力臂蜗轮减速机.jpg

   蜗轮减速机在选用时有多种安装方式,所以大家在选用时都可按照需求来选择。如有选型困难症,这边技术可联系我司:尹工13262846677 / 盛工:18116258006.