开心彩

欢迎来到艾思捷传动技术(上海)有限公司官方网站!

艾思捷传动技术(上海)有限公司

让传动更高效、更可靠专注12#锡青铜蜗轮减速机研发生产

技术热线181-3611-8455
扫一扫加微信扫一扫加微信

技术资讯

您的当前位置:首页 > 新闻资讯 > 技术资讯

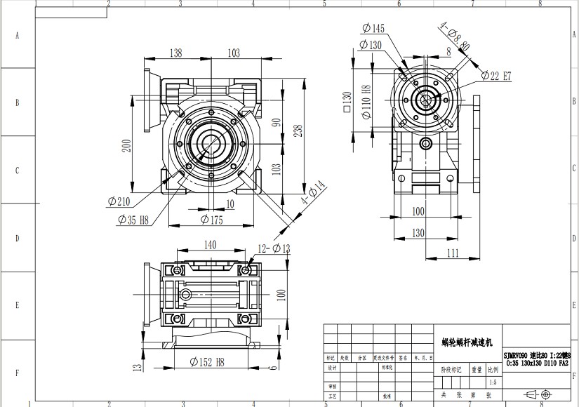
艾思捷SJMRV090-80比蜗轮减速机安装尺寸图纸

返回列表 来源:艾思捷 查看手机网址
扫一扫!艾思捷SJMRV090-80比蜗轮减速机安装尺寸图纸扫一扫!
浏览:- 发布日期:2024-05-23 00:55:13【

 艾思捷减速机专注行业蜗轮减速机非标减速机定制生产供应,SJMRV090减速机常用数比型号:SJMRV090-5SJMRV090-7.5SJMRV090-10SJMRV090-50、SJMRV090-60、SJMRV090-80、SJMRV090-100,外壳采用的是铝合金材质安装方式任意安装都行。内部蜗轮采用的是耐磨的CuSn12Ni2锡青铜,使用中更耐用。

艾思捷SJMRV090-80比蜗轮减速机外形图如下:

SJMRV090 -80比.jpg

  艾思捷各种零配件从选材那一刻起,产品已分高下。从每一种原材料的进厂检验,到每一个生产环节的质量控制,都是为了把蜗轮蜗杆减速机产品质量满意度从99%提高到99.99%;欢迎广大客户来人、来电、来函或到我厂进行现场考察,我公司将热情接待,为客户提供一切方便,及时解决客户提出的一切问题;厂家咨询电话: 盛经理 18116258006   尹经理 13262846677。