开心彩

欢迎来到艾思捷传动技术(上海)有限公司官方网站!

艾思捷传动技术(上海)有限公司

让传动更高效、更可靠专注12#锡青铜蜗轮减速机研发生产

技术热线181-3611-8455
扫一扫加微信扫一扫加微信

技术资讯

您的当前位置:首页 > 新闻资讯 > 技术资讯

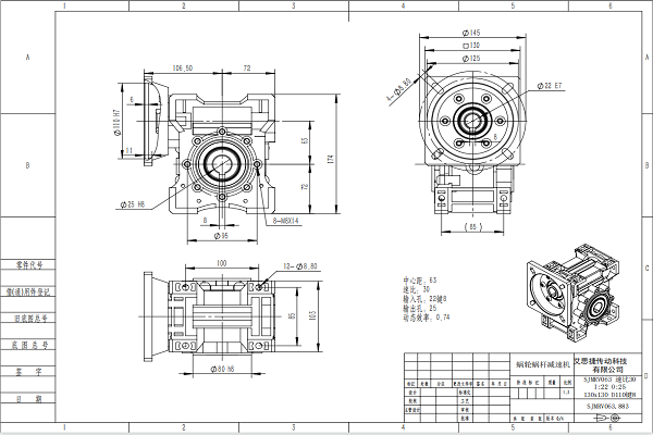
艾思捷长期供应MRV063蜗轮蜗杆减速机 效率高扭矩大

返回列表 来源:艾思捷 查看手机网址
扫一扫!艾思捷长期供应MRV063蜗轮蜗杆减速机 效率高扭矩大扫一扫!
浏览:- 发布日期:2022-09-26 10:19:32【

         蜗轮蜗杆减速机蜗杆传动相称于螺旋传动,为多齿啮合传动,故传动平稳、噪音很小。容许输入的转速范畴很低,减速的范畴很大。存在自锁功能适合用于晋升作业

  蜗轮蜗杆减速机存在自锁性。当蜗杆的导程角小于啮合轮齿间确当量摩擦角时,机构存在自锁性,可实现反向自锁,即只能由蜗杆带动蜗轮,而不能由蜗轮带动蜗杆。如在起重机械中利用的自锁蜗杆机构,其反向自锁性可起维护作用。    
 
艾思捷长期供应MRV063蜗轮蜗杆减速机,效率高扭矩大。

艾思捷长期供应MRV063蜗轮蜗杆减速机 效率高扭矩大.png

MRV063蜗轮蜗杆减速机 .jpg




  NMRV063蜗轮蜗杆减速机广泛应用于冶金矿山、石油化工、建材机械、港口船舶、纺织印染、食品包装、环保、造纸印刷、起重输送、物流装卸轻重工业机械传动领域这款减速电机优点是简化设计、节省空间。

   

关于上海艾思捷

  艾思捷传动技术(上海)有限公司是一家专业的传动设备生产商,厂家拥有专业的技术团队,精心致力于高质量的减速机生产和技术开发。主要为设备提供传动产品以及技术解决方案,上海艾思捷隶属于意大利SSJ Group的成员公司,意大利SSJ Group在减速机的设计、生产制造和销售有20多年的丰富经验,服务的客户覆盖欧洲、美洲、非洲、亚洲等,获得市场的一致好评。
艾思捷目前主要的产品有SJMRV系列蜗轮减速机、SJGV系列齿轮减速机、SJRT系列太阳能减速机、SJXV系列行星减速机以及洗车机减速机、制冰机减速机、小侧隙减速机等行业减速机,产品被广泛应用于装备行业、食品行业、洗车行业、包装行业、传输行业、自动化行业、太阳能行业等等,产品深受客户的欢迎与信赖!

  作为专业生产减速机设备的厂家,可提供设备全套解决方案,有任何技术咨询问题均可联系我司技术:陈工 13262846677.