开心彩

欢迎来到艾思捷传动技术(上海)有限公司官方网站!

艾思捷传动技术(上海)有限公司

让传动更高效、更可靠专注12#锡青铜蜗轮减速机研发生产

技术热线181-3611-8455
扫一扫加微信扫一扫加微信

技术资讯

您的当前位置:首页 > 新闻资讯 > 技术资讯

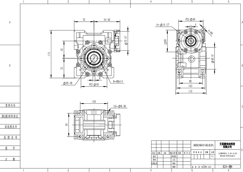
MRV063蜗轮减速机 方法兰输入图纸

返回列表 来源:艾思捷 查看手机网址
扫一扫!MRV063蜗轮减速机 方法兰输入图纸扫一扫!
浏览:- 发布日期:2024-03-04 12:39:29【

 艾思捷厂家生产供应标准蜗轮减速机以及非标定制减速机等,标准MRV063蜗轮减速机常用型号MRV063+0.25KW/ MRV063+0.55KW/ MRV063+0.75KW/MRV063+1.1KW/MRV063+1.5KW/ MRV063+02.2KW、输出轴径为14mm19mm24mm。具体看自身设备的选型情况。

  例如以下:艾思捷MRV063蜗轮减速机 方法兰输入尺寸图纸

MRV063蜗轮减速机 方法兰输入图纸.png


  艾思捷蜗轮减速机生产厂家,可为项目成套定制解决方案,从需求定制到图纸设计都一对一技术解决。目前你所在的项目是否有遇到减速机传动解决的问题,可咨询我司专业技术。

 厂家咨询电话:盛经理 18116258006.   尹经理 13262846677