开心彩

欢迎来到艾思捷传动技术(上海)有限公司官方网站!

艾思捷传动技术(上海)有限公司

让传动更高效、更可靠专注12#锡青铜蜗轮减速机研发生产

技术热线181-3611-8455
扫一扫加微信扫一扫加微信

技术资讯

您的当前位置:首页 > 新闻资讯 > 技术资讯

图文并茂让您快速了解蜗轮蜗杆减速机之SJMRV040型号

返回列表 来源:艾思捷 查看手机网址
扫一扫!图文并茂让您快速了解蜗轮蜗杆减速机之SJMRV040型号扫一扫!
浏览:- 发布日期:2022-12-22 09:01:16【

        图文并茂让您快速了解蜗轮蜗杆减速机---SJMRV040

SJMRV040蜗轮蜗杆减速机实物图.jpg

 

  蜗轮蜗杆减速机---SJMRV040型号特点:

1、优质铝合金铸造箱体,适应全方位的安装配置;

2、充分的冷却筋条,使机体具有优良的热传导性能;

3、精密磨削加工的硬齿面传动蜗杆,效率高、输出扭矩大;

4、重量轻,机械强度高;

  SJMRV040型号蜗轮蜗杆减速机特点:

减速型号:SJMRV040SJRV040SJNRV040

减速机输入功率范围:0.06KW~0.55KW

减速机速比:57.5101520253040506080100

减速机输出扭矩范围:8NM~53NM


 
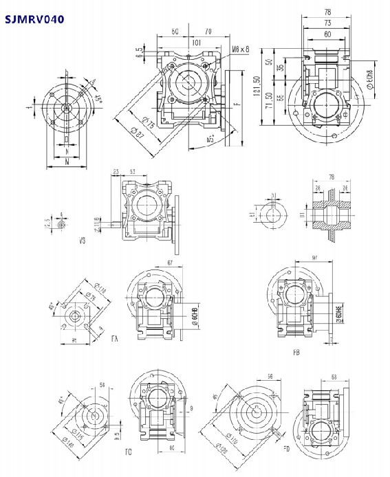
  SJMRV040型号蜗轮蜗杆减速机产品安装尺寸:

SJMRV040型号蜗轮蜗杆减速机产品安装尺寸.png

     SJMRV040型号蜗轮蜗杆减速机主要应用行业:

  广泛应用于装备行业、食品行业、自动洗车行业、包装行业、传输行业、自动化行业、太阳能行业等等。产品深受客户的欢迎与信赖。

重点:艾思捷专注定制行业生产,针对产品的实际工况,出项目解决方案,选型合适的减速机,提高使用效率。详情咨询了解请联系我司专业

客户经理:尹女士
 132 6284 6677.