开心彩

欢迎来到艾思捷传动技术(上海)有限公司官方网站!

艾思捷传动技术(上海)有限公司

让传动更高效、更可靠专注12#锡青铜蜗轮减速机研发生产

技术热线181-3611-8455
扫一扫加微信扫一扫加微信

技术资讯

您的当前位置:首页 > 新闻资讯 > 技术资讯

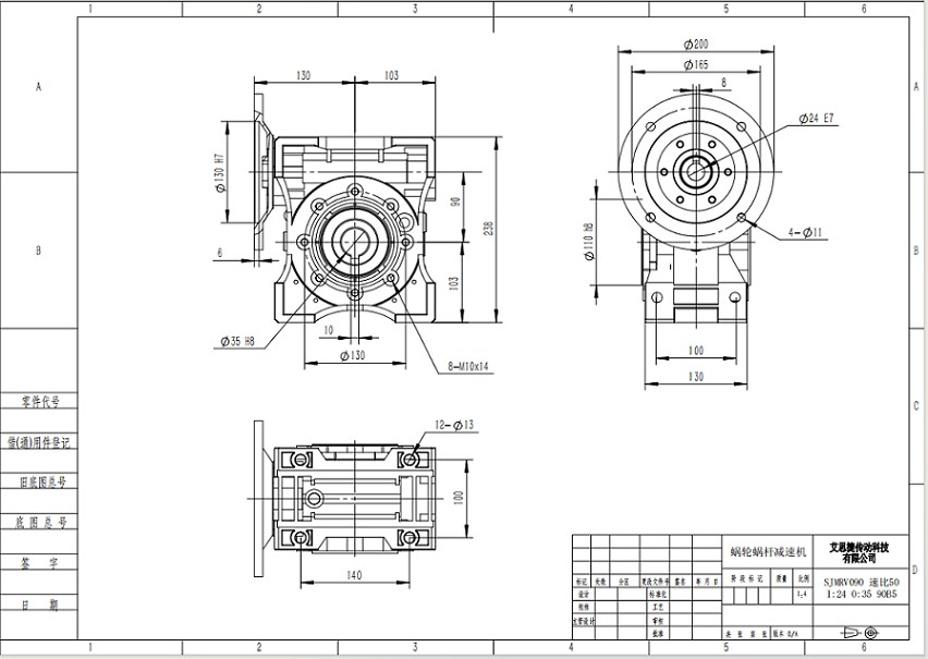
蜗轮减速机RV090-50-90B5法兰输入安装尺寸图纸

返回列表 来源:艾思捷 查看手机网址
扫一扫!蜗轮减速机RV090-50-90B5法兰输入安装尺寸图纸扫一扫!
浏览:- 发布日期:2024-07-20 01:15:42【

 艾思捷减速机专注行业蜗轮减速机非标减速机定制生产供应,RV090减速机常用数比型号:RV090-5RV090-7.5RV090-10SJMRV040-50、RV090-60、RV090-80、RV090-100,外壳采用的是铝合金材质安装方式任意安装都行。内部蜗轮采用的是耐磨的CuSn12Ni2锡青铜,使用中更耐用。

艾思捷RV090-50-90B5法兰输入蜗轮减速机外形图纸如下:

蜗轮减速机RV090-50-90B5法兰输入安装尺寸图纸.jpg

  艾思捷欢迎广大客户来电咨询,蜗轮减速机支持非标定制,定制热线:盛工 18116258006.