开心彩

欢迎来到艾思捷传动技术(上海)有限公司官方网站!

艾思捷传动技术(上海)有限公司

让传动更高效、更可靠专注12#锡青铜蜗轮减速机研发生产

技术热线181-3611-8455
扫一扫加微信扫一扫加微信

技术资讯

您的当前位置:首页 > 新闻资讯 > 技术资讯

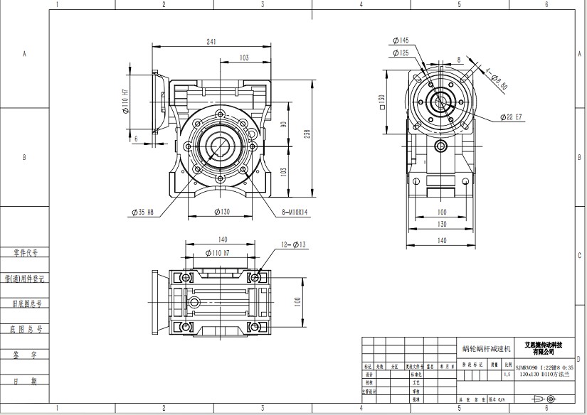
蜗轮减速机SJMRV090-130X130 D110 22孔键8尺寸图纸

返回列表 来源:艾思捷 查看手机网址
扫一扫!蜗轮减速机SJMRV090-130X130 D110 22孔键8尺寸图纸扫一扫!
浏览:- 发布日期:2024-07-03 00:46:31【

  蜗轮减速机作为一种精密的机械传动装置,在国民经济及国防工业的各个领域,减速机产品都有这广泛的应用。例如食品行业、包装行业、自动化行业、传输行业、太阳能行业等等。蜗轮减速机也型号多样可供选择,具体实际情况具体选型。

例如以下,客户用在包装行业设备上的蜗轮减速机型号为SJMRV090。技术所出设计图纸如下:

SJMRV090-130X130 D110 22孔键8.jpg

  艾思捷欢迎广大客户来电咨询,蜗轮减速机支持非标定制,定制热线:盛工 18116258006.