开心彩

欢迎来到艾思捷传动技术(上海)有限公司官方网站!

艾思捷传动技术(上海)有限公司

让传动更高效、更可靠专注12#锡青铜蜗轮减速机研发生产

技术热线181-3611-8455
扫一扫加微信扫一扫加微信

技术资讯

您的当前位置:首页 > 新闻资讯 > 技术资讯

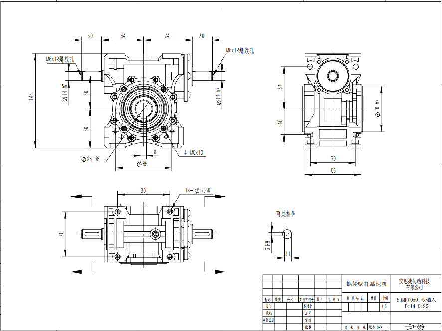
蜗轮蜗杆减速机SJMRV050双轴输入版图纸

返回列表 来源:艾思捷 查看手机网址
扫一扫!蜗轮蜗杆减速机SJMRV050双轴输入版图纸扫一扫!
浏览:- 发布日期:2023-03-20 10:30:29【

艾思捷蜗轮蜗杆减速机SJMRV050双轴输入版图纸

艾思捷双输入蜗轮蜗杆减速机 (3).jpg

蜗轮蜗杆减速机SJMRV050双轴输入版.png